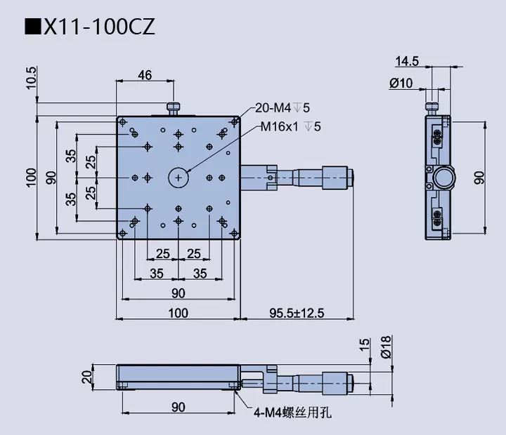
直线调整架 X11-100
产品规格:X11系列
产品型号:X11-100C/100R/100L/100CZ
此调整架为复坦希公司标准规格,订购量1-100台之间,可在当日发货。订购量大于100台,请联系我们确认货期。
产品规格:X11系列
产品型号:X11-100C/100R/100L/100CZ
此调整架为复坦希公司标准规格,订购量1-100台之间,可在当日发货。订购量大于100台,请联系我们确认货期。
此滑台的导向机构为十字交叉滚柱导轨,通过微分头进给机构转运,锁紧机构为锁止板侧面固定。
将滑台安装到使用台面上时,采取向右或向左移动滑台面,用固定螺丝锁紧的方法,请参见下图:








