XYY轴电动对位台 FXYY-175
产品规格:XYY轴系列
产品型号:FXYY-175
此电动调整架为复坦希公司标准规格,订购量1-100台之间,可在当日发货。订购量大于100台,请联系我们确认货期。

服务热线400-188-5608
产品规格:XYY轴系列
产品型号:FXYY-175
此电动调整架为复坦希公司标准规格,订购量1-100台之间,可在当日发货。订购量大于100台,请联系我们确认货期。

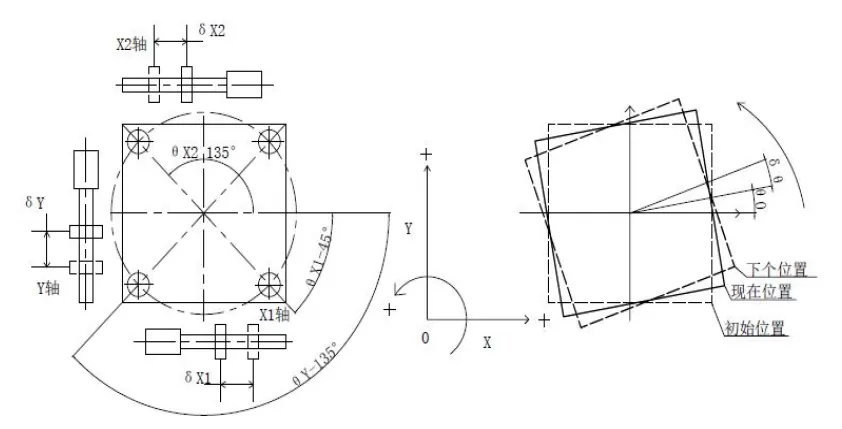
电动对位台工作台面和基座材质可另选S50C、S50C+调质HRC28-32,其表面处理也可做无电解镍或表面黑色处理。ji限行程是以工作台位于中心计算。
将对位台安装到使用台面时,驱动滑台面,利用底板上螺丝锁紧的方法固定。(以下不是实物图片尽供参考)










